Product Summary
The TA2022 is a 90W (4Ω) continuous average per channel Class-T Digital Audio Power Amplifier IC using Tripath’s proprietary Digital Power Processing (DPPTM) technology. Class-T amplifiers offer both the audio fidelity of Class-AB and the power efficiency of Class-D amplifiers. The applications of the TA2022 include DVD Players, Mini/Micro Component Systems, Home Theater and Powered Speakers.
Parametrics
TA2022 absolute maximum ratings: (1)VPP, VNN, Supply Voltage (VPP1, VPP2, VNN1, VNN2): +/- 40 V; (2)V5, Positive 5V Bias Supply: 6V; Voltage at Input Pins (pins 18, 19, 23, 24, 26, 28-32): -0.3V to (V5+0.3V); (3)VN10, Voltage for low-side FET drive: VNN+13 V; (4)TSTORE, Storage Temperature Range: -55 to 150℃; (5)TA, Operating Free-air Temperature Range: -40 to 85℃; (6)TJ, Junction Temperature: 150℃; (7)ESDHB, ESD Susceptibility: 4000 V; (8)ESDMM, ESD Susceptibility: 200 V.
Features
TA2022 features: (1)Class-T architecture; (2)High Power; (3)Audiophile Sound Quality; (4)High Efficiency; (5)Dynamic Range = 102 dB; (6)Mute Input; (7)Integrated Gate Drive Supply; (8)Over-current protection; (9)Over and under-voltage protection; (10)Single ended outputs; (11)Outputs can be operated in bridged mode; (12)32-pin SSIP package.
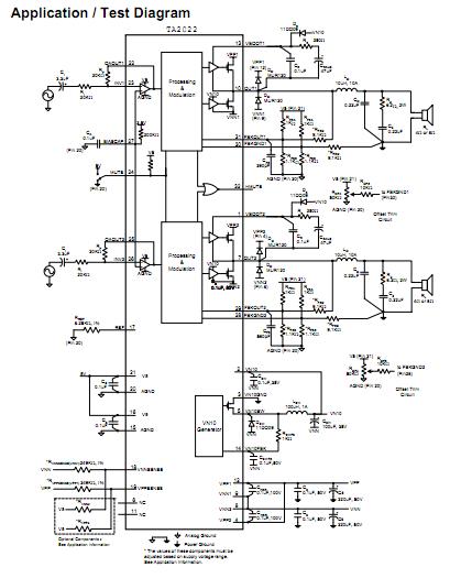
Diagrams

| Image | Part No | Mfg | Description | ![]() |
Pricing (USD) |
Quantity | ||||||
|---|---|---|---|---|---|---|---|---|---|---|---|---|
![]() |
![]() TA2022AFN |
![]() Other |
![]() |
![]() Data Sheet |
![]() Negotiable |
|
||||||
![]() |
![]() TA20221603DH |
![]() |
![]() SCR PHASE CTRL 2200V 1600A |
![]() Data Sheet |
![]()
|
|
||||||
(China (Mainland))









