Product Summary
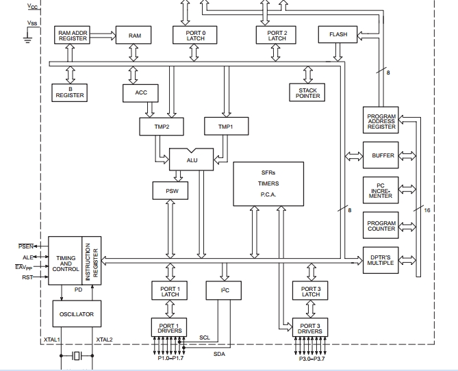
The P89C668HFA is a Single-Chip 8-Bit Microcontroller manufactured in advanced CMOS process and is a derivative of the 80C51 microcontroller family. The P89C668HFA contains a non-volatile 64 kbytes Flash program memory that is both parallel programmable and serial In-System Programmable. The P89C668HFA also has four 8-bit I/O ports, three 16-bit timer/event counters, a multi-source, four-priority-level, nested interrupt structure,an enhanced UART and on-chip oscillator and timing circuits.
Parametrics
P89C668HFA absolute maximum ratings: (1) Operating temperature under bias: 0 to +70 or –40 to +85 °C; (2) Storage temperature range: -65 to +150 °C; (3) Voltage on EA/VPP pin to VSS: 0 to +13.0V; (4) Voltage on any other pin to VSS: -0.5 to +6.5V; (5) Maximum IOL per I/O pin: 15mA; (6) Power dissipation (based on package heat transfer limitations, not device power consumption) : 1.5W.
Features
P89C668HFA features: (1) 80C51 Central Processing Unit; (2) On-chip Flash Program Memory with In-System Programming(ISP) capability;(3) Boot ROM contains low level Flash programming routines for downloading via the UART; (4) Can be programmed by the end-user application (IAP) ; (5) Parallel programmed with 87C51 compatible hardware interface to programmer; (6) Speed up to 20 MHz with 6 clock cycles per machine cycle (40 MHz equivalent performance); up to 33 MHz with 12 clocks; (7) Full static operation; (8) RAM expandable externally to 64 kbytes; (9) 4 level priority interrupt; (10) 8 interrupt sources; (11) Four 8-bit I/O ports; (12) Full-duplex enhanced UART: Framing error detection; Automatic address recognition; (13) Power control modes :Clock can be stopped and resumed; Idle mode; Power down mode; (14) Programmable clock out; (15) Second DPTR register; (16) Asynchronous port reset; (17) Low EMI (inhibit ALE) ; (18) I2C serial interface; (19) Programmable Counter Array (PCA) : PWM; Capture/compare.
Diagrams

| Image | Part No | Mfg | Description | ![]() |
Pricing (USD) |
Quantity | ||||
|---|---|---|---|---|---|---|---|---|---|---|
![]() |
![]() P89C668HFA |
![]() NXP Semiconductors |
![]() 8-bit Microcontrollers (MCU) 80C51 64K FL / 8K RM |
![]() Data Sheet |
![]() Negotiable |
|
||||
![]() |
![]() P89C668HFA/00,512 |
![]() |
![]() IC 80C51 MCU FLASH 64K 44-PLCC |
![]() Data Sheet |
![]() Negotiable |
|
||||
(China (Mainland))










