Product Summary
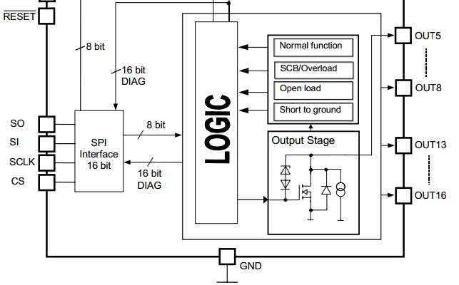
TLE6240GP is a 16-fold Low-Side Switch (8 x 1.3 Ω, 4 x 0.4 Ω, 4 x 0.35 Ω) in Smart Power Technology (SPT) with a Serial Peripheral Interface (SPI) and 16 open drain DMOS output stages. The TLE6240GP is protected by embedded protection functions and designed for automotive and industrial applications. Additionally 8 channels of the TLE6240GP can be controlled direct in parallel for PWM applications. Therefore the TLE6240GP is particularly suitable for engine management and powertrain systems, safety and body applications.
Parametrics
TLE6240GP maximum ratings: (Tj= – 40°C to 150°C) (1) Supply Voltage Vs: -0.3V to V; (2) Continuous Drain Source Voltage VDS: 45V; (3) Input Voltage, All Inputs and Data Lines VIN: +0.3V to +7V; (4) Output Current per Channel: ID(min) ; (5) Output Current per Channel@TA=25°C) , ID1-8: 0.3A, ID9-16: 0.5A; (6) Output Current IDmax: 14A; (7) Single Pulse Inductive Energy (internal clamping) Tj-25°C, ID1-8=0.5A. ID9-16=1A, EAS: 50mJ; (8) Power Dissipation (DC, mounted on PCB) @TA=25°C, Ptot: 3.3W.
Features
TLE6240GP features:(1) Short Circuit Protection; (2) Overtemperature Protection; (3) Overvoltage Protection; (4) 16 bit Serial Data Input and Diagnostic Output (2 bit/chan. acc. SPI Protocol) ; (5) Direct Parallel Control of Eight channels for PWM Applications; (6) Parallel Inputs High or Low Active Programmable; (7) General Fault Flag; (8) Low Quiescent Current; (9) Compatible with 3V Microcontrollers; (10) Electostatic discharge (ESD) Protection.
Diagrams


| Image | Part No | Mfg | Description | ![]() |
Pricing (USD) |
Quantity | ||||||||||||
|---|---|---|---|---|---|---|---|---|---|---|---|---|---|---|---|---|---|---|
![]() |
![]() TLE6240GP |
![]() Infineon Technologies |
![]() Power Switch ICs - Power Distribution MULTI CHANNEL SWITCH |
![]() Data Sheet |
![]()
|
|
||||||||||||
| Image | Part No | Mfg | Description | ![]() |
Pricing (USD) |
Quantity | ||||||||||||
![]() |
![]() TLE6208-3G |
![]() Infineon Technologies |
![]() Motor / Motion / Ignition Controllers & Drivers Triple-Half-Bridge |
![]() Data Sheet |
![]()
|
|
||||||||||||
![]() |
![]() TLE6208-6G |
![]() Infineon Technologies |
![]() Motor / Motion / Ignition Controllers & Drivers Six-fold Half-Bridge Driver |
![]() Data Sheet |
![]()
|
|
||||||||||||
![]() |
![]() TLE6209 |
![]() Other |
![]() |
![]() Data Sheet |
![]() Negotiable |
|
||||||||||||
![]() |
![]() TLE6209R |
![]() Infineon Technologies |
![]() Motor / Motion / Ignition Controllers & Drivers 7A H-Bridge 150mA DC-MOTORAPPS |
![]() Data Sheet |
![]() Negotiable |
|
||||||||||||
![]() |
![]() TLE6210 |
![]() Other |
![]() |
![]() Data Sheet |
![]() Negotiable |
|
||||||||||||
![]() |
![]() TLE6211 |
![]() Other |
![]() |
![]() Data Sheet |
![]() Negotiable |
|
||||||||||||
(China (Mainland))










