Product Summary
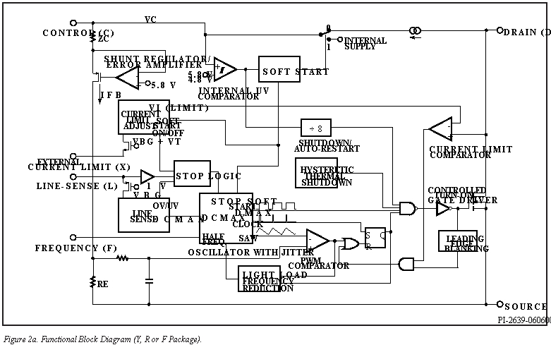
The TOP244YN is an extended power, design flexible, Ecosmart, intergrated off-line switcher. All package types of the TOP244YN provide the following transparent features: soft-start, 132kHz switching frequency (automatically reduced at light load), frequency jittering for lower EMI, wider DCmax hysteretic thermal shutdown, and larger creepage packages.
Parametrics
TOP244YN absolute maximum ratings: (1) Drain voltage: -0.3V to 700V; (2) Drain peak current: 2.16A; (3) control voltage: -0.3V to 9V; (4) Control current: 100mA; (5) line sense pin voltage: -0.3V to 9V; (6) current limited pin voltage: -0.3V to 4.5V; (7) frequency pin voltage: -0.3V to 9V; (8) storage temperature: -65°C to 150°C; (9) operating junction temperature: -40°C to 150°C; (10) lead temperature: 260°C.
Features
TOP244YN features: (1) Extended power range for higher power applications; (2) No heatsink required up to 34 W using P package; (3) Features eliminate or reduce cost of external components ; (4) Fully integrated soft-start for minimum stress/overshoot; (5) Externally programmable accurate current limit ; (6) Wider duty cycle for more power, smaller input capacitor; (7) Separate line sense and current limit pins on Y/R/F packages; (8) Line under-voltage (UV) detection: no turn off glitches; (9) Line overvoltage (OV) shutdown extends line surge limit; (10) Line feed-forward with maximum duty cycle (DCMAX) reduction rejects line ripple and limits DCMAX at high line ; (11) Frequency jittering reduces EMI and EMI fltering costs; (12) Regulates to zero load without dummy loading; (13) 132 kHz frequency reduces transformer/power supply size; (14) Half frequency option in Y/R/F packages for video applications; (15) Hysteretic thermal shutdown for automatic fault recovery; (16) Large thermal hysteresis prevents PC board overheating.
Diagrams


| Image | Part No | Mfg | Description | ![]() |
Pricing (USD) |
Quantity | ||||||||||||
|---|---|---|---|---|---|---|---|---|---|---|---|---|---|---|---|---|---|---|
![]() |
![]() TOP244YN |
![]() Power Integrations |
![]() AC/DC Switching Converters 45 W 85-265 VAC 65 W 230 VAC |
![]() Data Sheet |
![]()
|
|
||||||||||||
| Image | Part No | Mfg | Description | ![]() |
Pricing (USD) |
Quantity | ||||||||||||
![]() |
![]() TOP200-14 |
![]() Other |
![]() |
![]() Data Sheet |
![]() Negotiable |
|
||||||||||||
![]() |
![]() TOP200-4 |
![]() Other |
![]() |
![]() Data Sheet |
![]() Negotiable |
|
||||||||||||
![]() |
![]() TOP200YAI |
![]() Power Integrations |
![]() AC/DC Switching Converters 5-12W 85-265 VAC 10-25W100/115/230VAC |
![]() Data Sheet |
![]() Negotiable |
|
||||||||||||
![]() |
![]() TOP200YN |
![]() Power Integrations |
![]() AC/DC Switching Converters 5-12W 85-265 VAC 10-25W100/115/230VAC |
![]() Data Sheet |
![]() Negotiable |
|
||||||||||||
![]() |
![]() TOP201YAI |
![]() Power Integrations |
![]() AC/DC Switching Converters 0-22W 85-265 VAC 20-45W100/115/230VAC |
![]() Data Sheet |
![]() Negotiable |
|
||||||||||||
![]() |
![]() TOP201YN |
![]() Power Integrations |
![]() AC/DC Switching Converters 0-22W 85-265 VAC 20-45W100/115/230VAC |
![]() Data Sheet |
![]() Negotiable |
|
||||||||||||
(China (Mainland))










