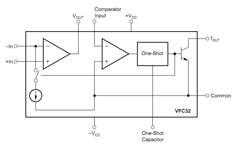
Product Summary
The voltage-to-frequency converter provides output frequency accurately proportional to its voltage. The VFC32SMQ is available in 14-pin plastic DIP, SO-14surface-mount, and metal TO-100 packages. Applications of the VFC32SMQ include: intergrating A/D converter, serial frequency output, isolated dats transmission, FM analog signal MOD/DEMOD, motor speed control.
Parametrics
VFC32SMQ absolute maximum ratings: (1) Supply Voltage: ±22V; (2) Output Sink Current (FOUT) : 50mA; (3) Output Current (VOUT) : +20mA; (4) nput Voltage, –Input: ±Supply; (5) Input Voltage, +Input: ±Supply; (6) Comparator Input: ±Supply; (7) Storage Temperature Range: -65°C to +85°C.
Features
VFC32SMQ features: (1) operation up to 500kHz; (2) excellent linearity ±0.01% max at 10kHz FS, ±0.05% max at 100kHz FS; (3) IV/F or F/V conversion; (4) monotonic; (5) voltage or current input.
Diagrams

(China (Mainland))






