Product Summary
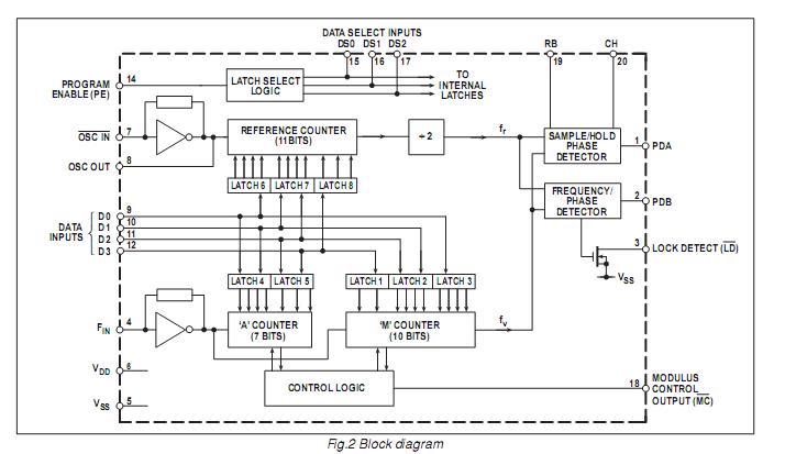
The NJ88C28PR is a synthesiser circuit fabricated on the GPSCMOS process and is capable of achieving high sideband attenuation and low noise performance. The NJ88C28PR contains a reference oscillator, 11-bit programmable reference divider, digital and sample-and-hold comparators, 10-bit programmable M counter, 7-bit programmable A counter. The NJ88C28PR is available in Plastic DIL (DP) and Miniature Plastic DIL (MP) packages, both with operating temperature ange of -30°C to +70°C.
Parametrics
NJ88C28PR absolute maximum ratings: (1) Supply voltage, VDD-VSS: -0.5V to 7V; (2) Input Voltage Open drain output, pin 3: 7V; (3) All other pins: VSS -0.3V to VDD +0.3V; (4) Storage temperature: -65°C to +150°C (DG package, NJ8821MA) ; (5) Storage temperature: -65°C to +125°C (DP and MP packages, NJ8821) .
Features
NJ88C28PR features: (1) Low Power Consumption; (2) Microprocessor Compatible; (3) High Performance Sample and Hold Phase Detector; (4) >10MHz Input Frequency.
Diagrams

(China (Mainland))






